产品分类
服务 咨询
电话:0755-83047673
传真:0755-83047673
QQ:2483637010  1215223030
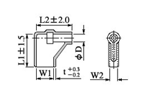
  • 旗型软护套

  • 品牌: HG
  • 型号:
  • 分类: HG 旗型软护套
  • 更新日期: 2013-01-14
详细说明:

香港六六之家资料  香港六六之家资料

 

材质:PVC
颜色: 红色 黑色 黄色 蓝色 白色等。可根据客户要求提供
用途: 电线端子保护
应用: 电子工业 家用电器 汽车 摩托车 电瓶车等
特点: 质量轻 绝缘 阻燃 防锈
 

产品型号:

4.8旗型单线护套

4.8旗型双线护套

6.3旗型单线护套

6.3旗型双线护套
 

More相关产品: